CITForum Море(!) аналитической информации!
IT-консалтинг Software Engineering Программирование СУБД Безопасность Internet Сети ОС Hardware

8.3. Типы узлов и правила их соединения в сеть

Все станции в сети FDDI делятся на несколько типов по следующим признакам:

  • конечные станции или концентраторы;
  • по варианту присоединения к первичному и вторичному кольцам;
  • по количеству MAC-узлов и, соответственно, MAC-адресов у одной станции.

Одиночное и двойное присоединение к сети

Если станция присоединена только к первичному кольцу, то такой вариант называется одиночным присоединением - Single Attachment, SA (рис. 34, а). Если же станция присоединена и к первичному, и ко вторичному кольцам, то такой вариант называется двойным присоединением - Dual Attachment, DA (рис. 34, б).

Рис. 34. Одиночное (SA) и двойное (DA) подключение станций

Рис. 34. Одиночное (SA) и двойное (DA) подключение станций

Очевидно, что станция может использовать свойства отказоустойчивости, обеспечиваемые наличием двух колец FDDI, только при ее двойном подключении.

Рис. 35. Реконфигурация станций с двойным подключением при обрыве кабеля

Рис. 35. Реконфигурация станций с двойным подключением при обрыве кабеля

Как видно из рисунка 35, реакция станций на обрыв кабеля заключается в изменении внутренних путей передачи информации между отдельными компонентами станции.

Количество MAC-узлов у станции

Для того, чтобы иметь возможность передавать собственные данные в кольцо (а не просто ретранслировать данные соседних станций), станция должна иметь в своем составе хотя бы один MAC-узел, который имеет свой уникальный MAC-адрес. Станции могут не иметь ни одного узла MAC, и, значит, участвовать только в ретрансляции чужих кадров. Но обычно все станции сети FDDI, даже концентраторы, имеют хотя бы один MAC. Концентраторы используют MAC-узел для захвата и генерации служебных кадров, например, кадров инициализации кольца, кадров поиска неисправности в кольце и т.п.

Станции, которые имеют один MAC-узел, называются SM (Single MAC) станциями, а станции, которые имеют два MAC-узла, называются DM (Dual MAC) станциями.

Возможны следующие комбинации типов присоединения и количества MAC-узлов:

SM/SA Станция имеет один MAC-узел и присоединяется только к первичному кольцу. Станция не может принимать участие в образовании общего кольца из двух.

SM/DA Станция имеет один MAC-узел и присоединяется сразу к первичному и вторичному кольцам. В нормальном режиме она может принимать данные только по первичному кольцу, используя второе для отказоустойчивой работы.

DM/DA Станция имеет два MAC-узла и присоединена к двум кольцам. Может (потенциально) принимать данные одновременно по двум кольцам (полнодуплексный режим), а при отказах участвовать в реконфигурации колец.

DM/SA Станция имеет два MAC-узла, но присоединена только к первичному кольцу. Запрещенная комбинация для конечной станции, специальный случай работы концентратора.

В зависимости от того, является ли станция концентратором или конечной станцией, приняты следующие обозначения в зависимости от типа их подключения:

  • SAS (Single Attachment Station) - конечная станция с одиночным подключением.
  • DAS (Dual Attachment Station) - конечная станция с двойным подключением.
  • SAC (Single Attachment Concentrator) - концентратор с одиночным подключением.
  • DAC (Dual Attachment Concentrator) - концентратор с двойным подключением.

Типы портов станций и концентраторов FDDI и правила их соединения

В стандарте FDDI описаны четыре типа портов, которые отличаются своим назначением и возможностями соединения друг с другом для образования корректных конфигураций сетей.

 
Тип порта Подключение Назначение
A PI/SO - (Primary In/Secondary Out)
Вход первичного кольца/ Выход вторичного кольца
Соединяет устройства с двойным подключением с магистральными кольцами
B PO/SI - (Primary Out/Secondary In)
Выход первичного кольца/Вход вторичного кольца
Соединяет устройства с двойным подключением с магистральными кольцами
M Master - PI/PO
Вход первичного кольца/Выход первичного кольца
Порт концентратора, который соединяет его с устройствами с одиночным подключением; использует только первичное кольцо
S Slave - PI/PO
Вход первичного кольца/Выход первичного кольца
Соединяет устройство с одиночным подключением к концентратору; использует только первичное кольцо

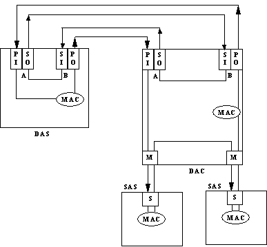
На рисунке 36 показано типичное использование портов разных типов для подключения станций SAS и DAS к концентратору DAC.

Рис. 36. Использование портов различных типов

Рис. 36. Использование портов различных типов

Соединение портов S - S является допустимым, так как создает изолированное первичное кольцо, соединяющее только две станции, но обычно неиспользуемым.

Соединение портов M - M является запрещенным, а соединения A-A, B-B, A-S, S-A, B-S, S-B - нежелательными, так как создают неэффективные комбинации колец.

Соединение Dual Homing

Соединения типа A-M и B-M соответствуют случаю, так называемого, Dual Homing подключения, когда устройство с возможностью двойного подключения, то есть с портами A и B, использует их для двух подключений к первичному кольцу через порты M другого устройства.

Такое подключение показано на рисунке 37.

На нем два концентратора, DAC4 и DAC5, подключены к концентраторам DAC1, DAC2 и DAC3 по схеме Dual Homing.

Концентраторы DAC1, DAC2 и DAC3 подключены обычным способом к обеим кольцам, образуя корневую магистраль сети FDDI. Обычно такие концентраторы называют в англоязычной литературе rooted concentrators.

Концентраторы DAC4 и DAC5 подключены по древовидной схеме. Ее можно было бы образовать и с помощью концентраторов SAC4 и SAC5, которые бы в этом случае подключались бы к М-порту корневых концентраторов с помощью порта S.

Подключение DAC-концентраторов по древовидной схеме, но с использованием Dual Homing, позволяет повысить отказоустойчивость сети, и сохранить преимущества древовидной многоуровневой структуры.

Рис. 37. Соединение Dual Homing

Рис. 37. Соединение Dual Homing

Концентратор DAC4 подключен по классической схеме Dual Homing. Эта схема рассчитана на наличие у такого концентратора только одного MAC-узла. При подключении портов A и B концентратора DAC4 к портам М концентратора DAC1 между этими портами устанавливается физическое соединение, которое постоянно контролируется физическим уровнем PHY. Однако, в активное состояние по отношению к потоку кадров по сети переводится только порт B, а порт A остается в резервном логическом состоянии. Предпочтение, отдаваемое по умолчанию порту В, определено в стандарте FDDI.

При некорректной работе физического соединения по порту B концентратор DAC4 переводит его в резервное состояние, а активным становится порт А. После этого порт В постоянно проверяет физическое состояние его линии связи, и, если оно восстановилось, то он снова становится активным.

Концентратор DAC5 также включен в есть по схеме Dual Homing, но с более полными функциональными возможностями по контролю соединения резервного порта А. Концентратор DAC5 имеет два узла MAC, поэтому не только порт В работает в активном режиме в первичном кольце, передавая кадры первичному MAC-узлу от порта М концентратора DAC3, но и порт А также находится в активном состоянии, принимая кадры от того же первичного кольца, но от порта М концентратора DAC2. Это позволяет вторичному MAC-узлу постоянно отслеживать логическое состояние резервной связи.

Необходимо заметить, что устройства, поддерживающие режим Dual Homing, могут быть реализованы несколькими различными способами, поэтому может наблюдаться несовместимость этих режимов у различных производителей.

Присоединение станции к "блуждающему" MAC-узлу

Когда новая станция включается в сеть FDDI, то сеть на время приостанавливает свою работу, проходя через процесс инициализации кольца, в течение которого между всеми станциями согласуются основные параметры кольца, самым важным из которых является номинальное время оборота токена по кольцу. Этой процедуры в некоторых случаях можно избежать. Примером такого случая является подключение новой станции SAS к порту М концентратора с так называемым "блуждающим" узлом MAC (Roving MAC), который также называют локальным MAC-узлом.

Пример такого подключения показан на рисунке 38.

Рис. 38. Присоединение станции к

Рис. 38. Присоединение станции к "блуждающему" MAC-узлу

Концентратор DM/DAC1 имеет два MAC-узла: один участвует в нормальной работе первичного кольца, а второй, локальный, присоединен к пути, соединяющему порт M со станцией SAS3. Этот путь образует изолированное кольцо и используется для локальной проверки работоспособности и параметров станции SAS3. Если он работоспособен и его параметры не требуют реинициализации основной сети, то станция SAS3 включается в работу первичного кольца "плавно" (smooth-insertion).

Подключение станций с помощью оптических обходных переключателей (Optical Bypass Switch)

Факт отключения питания станции с одиночным подключением будет сразу же замечен средствами физического уровня, обслуживающими соответствующий М-порт концентратора, и этот порт по команде уровня SMT концентратора будет обойден по внутреннему пути прохождения данных через концентратор. На дальнейшую отказоустойчивость сети этот факт никакого влияния не окажет (рис. 39).

Рис. 39. Оптический обходной переключатель (Optical Bypass Switch)

Рис. 39. Оптический обходной переключатель (Optical Bypass Switch)

Если же отключить питание у станции DAS или концентратора DAC, то сеть, хотя и продолжит работу, перейдя в состояние Wrap, но запас отказоустойчивости будет утерян, что нежелательно. Поэтому для устройств с двойным подключением рекомендуется использовать оптические обходные переключатели - Optical Bypass Switch, которые позволяют закоротить входные и выходные оптические волокна и обойти станцию в случае ее выключения. Оптический обходной переключатель питается от станции и состоит в простейшем случае из отражающих зеркал или подвижного оптоволокна. При отключенном питании такой переключатель обходит станцию, а при включении ее питания соединяет входы портов А и В с внутренними схемами PHY станции.

Назад | Содержание | Вперед

 

IT-консалтинг Software Engineering Программирование СУБД Безопасность Internet Сети ОС Hardware

CITForum © 1997–2025