CITForum Море(!) аналитической информации!
IT-консалтинг Software Engineering Программирование СУБД Безопасность Internet Сети ОС Hardware

10.5. Пример установления и изменения активной конфигурации

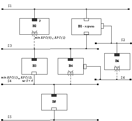
Рассмотрим работу алгоритма STA на примере сети, состоящей из 6 сегментов Ethernet и 6 мостов, соединенных так, как это показано на рисунке 67. Идентификаторы мостов и портов обозначены цифрой после однобуквенного имени моста (B) или порта (P). Сегменты (S) идентификаторов не имеют, и их порядковые номера приведены только для удобства пояснений работы алгоритма.

Рис. 67. Пример конфигурации сети с избыточными связями

Рис. 67. Пример конфигурации сети с избыточными связями

Рассмотрим несколько случаев.

А. Все мосты и порты имеют равные приоритеты, все сегменты имеют равную пропускную способность и условное время для них равно 1.

B. Все параметры те же, что и в случае А, но мост В1 отказал.

С. Все мосты работоспособны, но производительность сегментов S3 и S6 в три раза выше остальных, поэтому условное время остальных сегментов в три раза больше, чем у S3 и S6.

D. Все сегменты имеют одинаковую производительность, но администратор установил более высокий приоритет для моста В4.

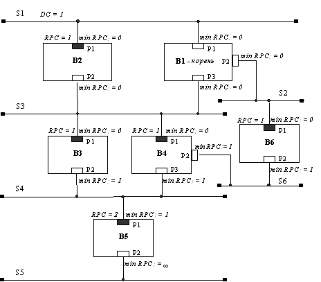
Случай А.

После того, как до всех мостов дошли конфигурационные BPDU от моста В1, только этот мост продолжает считать себя корневым, так как он имеет наименьший идентификатор - 1. Соответственно, по каждому порту у каждого моста установились значения переменных minRPC, показанные на рисунке 68. В результате для моста В2 в качестве корневого порта выбран порт P1. Хотя оба порта получали на входе конфигурационные BPDU с нулевым значением расстояния до корня (от порта P1 и от порта P3 корневого моста В1), выбран порт P1, поскольку он имеет меньшее значение идентификатора. Значение RPC моста B2 равно 1, так как условное время сегмента S1 равно 1 и оно складывается с минимальным расстоянием до корня, полученным на корневой порт.

Рис. 68. Выбор корневого моста и корневых портов

Рис. 68. Выбор корневого моста и корневых портов

У мостов B3, B4, В5 и В6 выбор корневого порта достаточно прост, так как значения minRPC у них различные (порт P2 моста В5 не получил по входу ни одного конфигурационного BPDU, поэтому имеет начальное, максимально возможное значение minRPC, обозначенное символом бесконечности).

Выбор назначенных портов показан на рис. 69.

Рис. 69. Выбор назначенных портов

Рис. 69. Выбор назначенных портов

Случай В.

При отказе корневого маршрутизатора все мосты перестают получать конфигурационные BPDU, поэтому по истечению интервала hello мосты переводят все свои порты в состояние заблокированных и начинают процедуру инициализации активной конфигурации, полагая себя корневыми мостами. В результате корневым мостом будет выбран мост B2, имеющий наименьший идентификатор. Новое состояние портов и связей после установления активной конфигурации показано на рисунке 70.

Рис. 70. Реконфигурация сети после отказа моста B1

Рис. 70. Реконфигурация сети после отказа моста B1

Полученные активные конфигурации для случаев С и D показаны на рисунках 71 и 72 соответственно.

Рис. 71. Активная конфигурация для скоростных сегментов S3 и S6

Рис. 71. Активная конфигурация для скоростных сегментов S3 и S6

Рис. 72. Активная конфигурация при приоритетном мосте B5 и скоростных сегментах S3 и S6

Рис. 72. Активная конфигурация при приоритетном мосте B5 и скоростных сегментах S3 и S6

Назад | Содержание | Вперед

 

IT-консалтинг Software Engineering Программирование СУБД Безопасность Internet Сети ОС Hardware

CITForum © 1997–2025