CITForum Море(!) аналитической информации!
IT-консалтинг Software Engineering Программирование СУБД Безопасность Internet Сети ОС Hardware
2004 г.

4.1.1.2. Fast Ethernet

Семёнов Ю.А. (ГНЦ ИТЭФ), book.itep.ru

100-мегагерцную сеть Ethernet дешевле создать на базе скрученных пар. Существует несколько версий 100-мегагерцного Ethernet (100base-T4, 100base-TX, 100base-FX, стандарт 100VG-anylan - IEEE 802.12). Формат кадра FE и GE предполагает обязательное использование ESD (EFD) - разграничителей конца кадра (потока). ESD (End Stream Delimeter) не увеличивает длины кадра, так как попадает в область IPG (96 бит-тактов, разделяющих кадры с длиной 1522 байта).

TX и RX передатчики и приемники входных/выходных оптоволоконных трансиверов, соответственно. FOMAU - (Fiber Optic Media Attachment Unit) оптоволоконный трансивер (см. рис. 4.1.1.1.9).

Сегменты T4 (100base-T4) используют четыре скрученные пары телефонного качества (экранированные и неэкранированные скрученные пары проводов категории 3, 4 или 5) длиной до 100м. Провода должны быть скручены по всей длине, скрутка может быть прервана не далее как в 12мм от разъема (это требование справедливо и для сегментов типа TX).

Сегменты TX (100base-TX, стандарт ANSI TP-PMD) состоят из двух скрученных пар проводов информационного качества (волновое сопротивление 100-150 Ом, экранированные и неэкранированные скрученные пары проводов категории 5, длина до 100м).

FX-сегменты (100base-FX) представляют собой оптоволоконные кабели, отвечающие требованиям стандарта ANSI. Мультимодовое волокно 62,5/125 m (см. выше) работает в инфракрасном диапазоне 1350нм. Максимальная длина сегмента составляет 412 метров, ограничение определяется соображениями допустимых задержек. Предельное ослабление сигнала в волокне не должно превышать 11 дБ, стандартный кабель имеет 1-5 дБ/км. Оптические разъемы должны отвечать тем же требованиям, что и разъемы, используемые в FDDI-сетях (MIC- Media Interface Connector).

Для того, чтобы выявить, к какой модификации относится тот или иной сегмент, разработан специальный протокол распознавания, позволяющий строить сети, которые содержат оборудование и кабельные сегменты, отвечающие разным требованиям.

Универсальная схема подключения ЭВМ или любого другого оборудования (например, сетевого принтера) к 100-мегагерцному ethernet показана на рис. 4.1.1.2.1.

Физическая среда служит для передачи сигналов Ethernet от одной ЭВМ к другой. Выше были перечислены три вида физических сред, используемых 100-мегагерцным Ethernet (T4, TX и FX). Здесь используется 8-контактный разъем (RJ-45) для скрученных пар или специальный оптоволоконный соединитель. Блок PHY выполняет ту же функцию, что и трансивер в 10-мегагерцном Ethernet. Он может представлять собой набор интегральных схем в сетевом порту или иметь вид небольшой коробочки на MII-кабеле. Интерфейс MII является опционным, он может поддерживать работу с 10- и 100-мегагерцным ethernet. Задачей MII является преобразование сигналов, поступающих от PHY, в форму, приемлемую для стандартного набора ИС Ethernet. Соединительный кабель не должен быть длиннее 0,5м. PHY и MII могут быть объединены на одной интерфейсной плате, вставляемой в ЭВМ.

Рис. 4.1.1.2.1 Блок-схема подключения оборудования к 100-мегагерцному Ethernet

В сетях 100-мегагерцного Ethernet используются повторители двух классов (I и II). Задержки сигналов в повторителях класса I больше (~140нс), зато они преобразуют входные сигналы в соответствии с регламентациями применяемыми при работе с цифровыми кодами. Такие повторители могут соединять каналы, отвечающие разным требованиям, например, 100base-TX и 100base-T4 или 100base-FX. Преобразование сигнала может занимать время, соответствующее передаче нескольких бит, поэтому в пределах одного логического сегмента может быть применен только один повторитель класса I, если кабельные сегменты имеют предельную длину. Повторители часто имеют встроенные возможности управления с использованием протокола SNMP.

Повторители класса II имеют небольшие задержки (~90нс или даже меньше), но никакого преобразования сигналов здесь не производится, и по этой причине они могут объединять только однотипные сегменты. Логический сегмент может содержать не более двух повторителя класса II, если кабели имеют предельную длину. Повторители класса II не могут объединять сегменты разных типов, например, 100base-TX и 100base-T4. Согласно требованиям комитета IEEE время задержки сигнала jam в повторителе Fast Ethernet (TX и FX) не должно превышать 460 нсек, а для 100base-T4 - 670 нсек. Для повторителей класса I эта задержка не должна быть больше 1400 нсек. Значения предельных длин сегментов для различных конфигураций сети приведены в таблице 4.1.1.2.1.

Таблица 4.1.1.2.1. Максимальные размеры логического кабельного сегмента

Тип повторителя Скрученные пары
[м]
Оптическое волокно
[м]
Один сегмент ЭВМ-ЭВМ100412
Один повторитель класса I200272
Один повторитель класса II200320
Два повторителя класса II205228

Типовые задержки для различных устройств Fast Ethernet представлены в табл. 4.1.1.2.2.

Таблица 4.1.1.2.2

Сетевое устройство Задержка [нсек]
Повторитель класса I700
Повторитель класса II (порты T4 и TX/FX)460
Повторитель класса II (все порты T4)340
Сетевая карта T4345
Сетевая карта ТХ или FX250

Вариант построения 100-мегагерцной сети ethernet показан на рис. 4.1.1.2.2.

Рис. 4.1.1.2.2. Возможная схема 100-мегагерцной сети Ethernet.

Из рисунка видно, что максимальная длина логического сегмента не может превышать А+Б+В = 205 метров (см. табл. 4.1.1.2.3.). Предельно допустимые длины кабелей А и В приведены в табл. 4.1.1.2.3.

Таблица 4.1.1.2.3. Максимально допустимые длины кабелей для сети, показанной на рис. 4.1.1.2.2
(Таблица взята из книги Лаема Куина и Ричарда Рассела Fast Ethernet, bhv, Киев, 1998.).

Тип кабеля А (категория)Тип кабеля В (категория)Класс повторителя Макс. длина кабеля А [м]Макс. длина кабеля В [м]Макс. диаметр сети [м]
5,4,3 (TX, FX)5,4,3 (TX, FX)I или II100100200
5 (TX)ОптоволокноI100160,8260,8
3 или 4 (T4)ОптоволокноI100131231
ОптоволокноОптоволокноI136136272
5 (TX)ОптоволокноII100208,8308,8
3 или 4 (T4)ОптоволокноII100204304
ОптоволокноОптоволокноII160160320

При работе со скрученными парами (стандарт TX) используется 8-контактный разъем RJ-45 со следующим назначением контактов:

Номер контактаНазначение сигнала Номер контактаНазначение сигнала
1Передача +5Не используется
2Передача -6Прием -
3Прием +7Не используется
4Не используется8Не используется

Если используются экранированные пары и 9-контактный разъем “d”-типа, то назначение контактов следующее:

Контакт 1 Прием +
Контакт 5Передача +
Контакт 6Прием -
Контакт 9Передача -

Для стандарта 100base-T4 назначение контактов приведено в таблице 4.1.1.2.4.

Таблица 4.1.1.2.4. Разъем MDI (media dependant interface) кабеля 100base-t4

Номер контактаНазначение сигналаЦвет провода
1tx_d1 + (передача)Белый/оранжевый
2tx_d1 -Оранжевый/белый
3rx_d2 + (прием)Белый/зеленый
4bi_d3 + (двунаправленная)Голубой/белый
5bi_d3 -Белый/голубой
6rx_d2 -Зеленый/белый
7bi_d4 +Белый/коричневый
8bi_d4 -Коричневый/белый

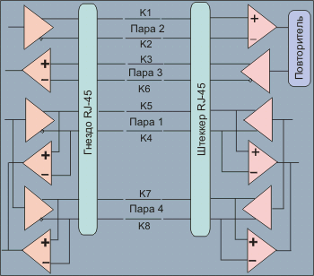
Как видно из таблицы, одна пара предназначена для передачи (TX), одна для приема (RX) и две для двунаправленной передачи (BI). Знак полярности сигналов обозначен соответственно + и -. Уровень логической единицы +3,5 В (CS1), нуля - 0 В (CS0), а -1 соответствует -3,5 В (CS-1). Стандарт 100base-T4 предполагает применение схемы кодирования 8B6T. Алгоритм 8B6T преобразует октет данных в 6-битовый тернарный символ, который называется кодовой группой 6Т. Эти кодовые группы передаются параллельно по трем скрученным парам сетевого кабеля, что позволяет осуществлять обмен лишь со скоростью 33,33Мбит/с. Скорость же передачи тернарных символов по каждой из пар проводов равна 6/8 от 33,33 Мбит/с, что эквивалентно 25 МГц. Шесть тернарных символов позволяют отобразить 36=729 различных кодов. Это позволяет отобрать для отображения 256 восьмибитовых кодов те тернарные символы, которые обеспечивают не менее 2 перепадов уровня сигнала. Схема подключения и передачи сигналов в сетях 100base-T4 показана на рис 4.1.1.2.3.

Пары 2 и 3 также как и в ТХ предназначены для приема и передачи данных. Пары 1 и 4 используются в двух направлениях, преобразуя канал между узлом и повторителем в полудуплексную. В процессе передачи узел использует пары 1, 2 и 4, а повторитель - пары 1, 3 и 4. Следует заметить, что схема Т4, в отличие от ТХ, может работать только в полудуплексном режиме.

Рис. 4.1.1.2.3. Схема подключения и передачи сигналов в сетях 100base-T4 (буквы К с цифрами обозначают номера контактов разъема)

В сетях Fast Ethernet максимальное значение окна коллизий равно 5,12 мксек и называется временем канала (slot time). Это время в точности соответствует минимальной длине пакета в 64 байта. Для более короткого пакета коллизия может быть не зафиксирована. Окно коллизий представляет собой время от начала передачи первого бита кадра до потери возможности регистрации коллизии с любым узлом сегмента, это время равно удвоенной задержке распространения сигнала между узлами (RTT). Конфигурация сети Fast Ethernet, для которой значение окна коллизий превышает время канала, не верна. Время канала задает величину минимального размера кадра и максимальный диаметр сети. Для пояснения этих взаимозависимостей рассмотрим сеть, показанную на рис. 4.1.1.2.4.

Рис. 4.1.1.2.4

Задержка повторителя складывается из задержек физического уровня обоих портов и собственно задержки повторителя. Задержка на физическом уровне сетевого интерфейса считается равной 250 нсек. Рассмотрим задержки сигнала для всех пар узлов (a, b и c) изображенной на рисунке сети:

a ® b250+110+700+11+250= 1321 нсек
a ® c250+110+700+495+250= 1805 нсек
b ® c250+11+700+495+250= 1706 нсек

Когда А передает кадр, узлы В и С отслеживают наличие несущей. Это продолжается до тех пор, пока А не завершит эту процедуру. Как только узлы В и С фиксируют окончание передачи кадра узлом А, они запускают свои таймеры IPG. Запускает свой таймер ipg и узел А, причем его таймер стартует первым. На рис. 4.1.1.2.5 показана временная диаграмма развития событий в сетевом сегменте. Таймер В стартует следующим через 1321 нсек после А. Таймер узла С стартует спустя 1805 нсек после А.

Рис. 4.1.1.2.5 Временная диаграмма, поясняющая возникновение коллизий (все времена в наносекундах)

Узел В начинает передачу сразу после срабатывания его IPG-таймера, а через 484 наносекунды передачу начнет и узел С, так как канал с его точки зрения свободен. Но коллизии еще не происходит, так как их кадры еще не “столкнулись”. Для того чтобы первый бит от узла В достиг узла С, требуется 1706 наносекунд. Узел С зарегистрирует столкновение первым, это произойдет в момент 3987нсек. После этого С будет продолжать передачу еще в течение 320 нсек (сигнал jam). Сигнал jam гарантирует регистрацию коллизии повторителем. Только спустя 484 нсек коллизию обнаружит узел В, начнет передачу своего сигнала jam после чего прекратит передачу. При этом предполагается, что jam не является контрольной суммой передаваемого пакета.

Стандарт IEEE предусматривает возможность полнодуплексной связи при использовании скрученных пар или оптоволокна. Реализуется это путем выделения для каждого из направлений передачи независимого канала. Такая схема осуществляет связь типа точка-точка и при определенных условиях позволяет удвоить пропускную способность сети. Здесь нет нужды в стандартном механизме доступа к сетевой среде, невозможны здесь и столкновения. Дуплексную схему могут поддерживать все три модификации 100-мегагерцного Ethernet (100base-TX, 100base-T4 и 100base-FX). Для оптоволоконной версии дуплексной связи предельная длина сегмента может достигать 2 км (для полудуплексного варианта предельная длина сегмента может достигать 412 м). Следует иметь в виду, что для локальных сетей целесообразнее применение мультимодового оптоволокна (дешевле и больше коэффициент захвата света, но больше удельное поглощение).

В настоящее время разрабатываются новые еще более скоростные варианты Ethernet IEEE 802.3z. Гигабитный Ethernet утвержден в качестве стандарта в 1998 году; 1000base-FX; ftp:/stdsbbs.ieee.org/pub, смотри также www.gigabit-ethernet.org/technology/faq.html. Эти сети ориентированы на применение 4-х скрученных пар категории 5 или выше (до 100м, разъем RJ-45) и оптоволоконных кабелей. Вместо манчестерского кода применяется кодировка 8В/10B. Эта нотация означает, что каждый байт кодируется при передаче десятью битами. При этом не должно быть более 4 идентичных бит подряд и ни в одном коде не должно быть более 6 нулей или 6 единиц. Так достигаются хорошие условия синхронизации и высокая стабильность постоянной составляющей. В рассматриваемом варианте по каждой паре передаются сигналы с частотой 125МГц, и за каждый так транспортируется два бита. Сетевые интерфейсы используют шину PCI. В этом стандарте могут использоваться полнодуплексные повторители (FRD). Эти повторители в отличии от традиционных имеют встроенные буферы на каждом из портов. Схема передачи предполагает карусельный способ доступа портов к шине повторителя. Но в этом приборе, в отличии от коммутатора, нет анализа адреса места назначения и пакет передается всем портам устройства. Блок-схема сетевого интерфейса GE и 10GE показана на рис. 4.1.1.2.6 (работа через скрученную пару). Поскольку в локальной сети могут присутствовать сегменты как FE, так и GE, возможны переполнения буферов в переключателях и потери кадров. Перекладывание подавления перегрузки на уровень L4 в данном случае особенно накладно. Для решения проблемы перегрузки одна из сторон посылает служебный кадр, сообщающий о том, что другая сторона на некоторое время должна прервать передачу. В поле тип такого кадра заносится код 0x8808, а первые два байта поля данных являются управляющими, послдующие октеты могут содержать параметры команды. Для управления используются кадры типа PAUSE, в качестве параметра может быть указано длительность паузы в единицах времни передачи кадра минимальной длины. Для GE такая единица равна 512 нсек. Максимальная длительность паузы равна 33,6 мсек. Хотя использование концентраторов не запрещено, оно крайне нежелательно, так как приводит к понижению эффективности использования сети.


Соединительные кабели для GE

Тип
сути
Вид кабеляДлинаОсобенности
1000Base-SXОптоволокно550мМногомодовое
1000Base-LXОптоволокно5000мОдно- или многомодовое
1000Base-СX2 экранир. пары25мЭкраниров. витая пара
1000Base-Т4 неэкранир. пары100мВитые пары 5-ой катег.

Новые Ethernet протоколы 1000BASE-T и 10GBASE-T требуют применения скрученных пар существенно более высокого качества (с большей полосой пропускания, с низкими уровнями NEXT и FEXT). Передача в этом случае производится по четырем скрученным парам одновременно. (Смотри ieee802.3/10GBT.) Предполагается, что эта технология станет стандартной в первой половине 2006 года и станет частью спецификации IEEE 803.3ae. Требования к кабелю определяются документом ISO/IEC-11801:2002 для классов D или выше. Характеристики соответстующих кабелей смотри в разделе "Кабельные каналы связи". Анализ распределения используемых длин показывает, наиболее часто используются кабели длиной 40м, а с вероятностью более 90% длина кабеля не правышает 80м. Кабели классов D-F имеют полосу пропускания 250-625 МГц.

Рис. 4.1.1.2.6. Блок схема сетевой карты для работы с GE и 10GE

Из рисунка видно, что цифровая обработка сигналов стала основой работы такого устройства. Для кабелей класса F (категория 7) максимальная длина составляет 100м, для класса Е (категория 6) от 55 до 100м, а для класса D (категория 5е) - 20-60м. При этом ожидается уровень BER не хуже 10-12. Скрученные пары предлагаются в качестве дешевого решения, при больших длинах оптическое волокно остается вне конкуренции. Ниже в таблице приводится сравнение режимов работы приемо-передатчиков в 1000BASE-T и 10GBASE-T.

1000BASE-T10GBASE-T
5-уровневая амплитудно-импульсная модуляция (2 бита на символ) 10-уровневая амплитудно-импульсная модуляция (3 бита на символ)
4D код Треллиса на пару (8 состояний) 4D код Треллиса на пару (8 состояний)
Полный дуплекс с эхоподавлением при передаче Полный дуплекс с эхоподавлением при передаче
125 Мбод, ~80MГц используемой полосы 833 Мбод, ~450МГц используемой полосы
Подавления FEXT нетНеобходимо подавление FEXT

10-Гигабитный Ethernet

Хотя Ethernet на 1 Гбит/с и не использовал все свои возможности, реализован уже 10Гбитный Ethernet (IEEE 802.3ae, 10GBase-LW или 10GBase-ER). Этот стандарт утвержден в июне 2002 года и в случае использования для построения региональных каналов соответствует спецификациям OC-192c/SDH VC-4-46c (WAN). Опробован канал длиной 200 км с 10 сегментами. Существует серийное сетевое оборудование обеспечивающее надежную передачу на скорости 10Гбит/с при длине одномодового кабеля 10 км ( l=1310 nm). Эти данные взяты из журнала "LANline" (www.lanline.de) N7, Juli 2002. При работе с оптическими волокнами могут применяться лазеры с вертикальными резонаторами и поверхностным излучением VCSEL (Vertical Cavity Surface Emitting Laser). В случае мультимодовых вариантов используются волокна с градиентом коэффициента преломления. В протоколе 10Гбит/c Ethernet предусмотрен интерфейс chip-to-chip (802.3ae-XAUI - буквы ае означают здесь Ethernet Alliance - www.10gea.org). Такие каналы могут использоваться и в LAN для соединения переключателей сетевых кластеров. Соединение организуется по схеме точка-точка. Эта технология удобна для использования в фермах ЭВМ. Стандартизованы порты: 10Gbase-LR (до 10 км по одномодовому волокну - для высокопроизводительных магистральных и корпоративных каналов), 10Gbase-ER (до 40 км по одномодовому волокну), 10Gbase-SR (до 28 м по мультимодовому волокну - для соединений переключателей друг с другом), а также 10Gbase-LХ4 (до 300 м по мультимодовому волокну стандарта FDDI - для сетей в пределах одного здания). Обсуждается возможность построения 100Гбит/c Ethernet. В 10Gbase для локальных сетей применяется кодирование 64В/66B (вместо 8В/10B, используемого в обычном гигабитном Ethernet), так как старая схема дает 25% увеличение паразитного трафика. Следует обратить внимание, что такое решение делает непригодными существующие оптоволоконные технологии SDH/SONET. К концу 2002 года технология 10Гбит-Ethernet вторглась в область региональных (MAN; смотри форум Metro-Ethernet и EFM Task Force) и даже межрегиональных (WAN) сетей, тесня SDH, Fibre Channel, OC-192, PCI Express и InfiniBand.

В версии 10Gbase-X4 используется кодирование 8В/10B. Там формируется 4 потока по 3,125Гбит/с, которые передаются по одному волокну (1310нм) с привлечением техники мультиплексирования длин волн (WWDM). В случае 10Gbase-W на уровне МАС вводится большая минимальная длина IPG.

Рис. 4.1.1.2.7. Схема уровней для 10Gbase Ethernet

  • MDI Medium Dependent Interface
  • XGMII 10 Gigabit Media Independent Interface
  • PCS Physical Coding Sublayer
  • PMA Physical Medium Attachment
  • PMD Physical Medium Dependent
  • WIS WAN Interface Sublayer

Таблица 4.1.1.2.5. Классификация категорий оптических волокон для сетевых приложений (данные взяты из журнала "LAN line Special" за июль-август 2002 года; www.lanline.de). Согласно принятым сокращениям буквы в конце обозначения канала (например, 10Gbase-LX) характеризуют оптическое волокно [E - Extended (для WAN или MAN, длина волны 1550нм), L - Long (для расстояний <10км при длине волны 1310нм, возможен вариант с многомодовым волокном длиной до 300м и привлечением техники WWDM) и S - Short (для расстояний менее 35 м при длине волны 850нм; для волокон с 160 МГц*км длина <28м, а для 200МГц*км < 35м)] и тип кодирования (R, W или X).

Тип сетиПотери ввода (дБ) Канал ISO/IEC 11801на основе 
 

Много-
мод

Одно-
мод
a

Волокна ОМ1

Волокна ОМ2

Волокна ОМ3

Волокно ОS1

 

850 нм

1300 нм

1300 нм

850 нм

1300 нм

850 нм

1300 нм

850 нм

1300 нм

1300 нм

1500 нм

ISO/IEC 8802-3:
10Base-FL, FPb & FBf

12,5(6,8)

-

-

OF-2000

 

OF-2000

 

OF-2000

   

ISO/IEC TR 11802-4:
4 & 16 Мбит/c, Token Ringf

13,0(8,0)

-

-

OF-2000

 

OF-2000

 

OF-2000

  /td> 

ATM @ 52 Мбит/cg

NA

10,0(5,3)

10.0

 

OF-2000

 

OF-2000

 

OF-2000

OF-2000

 

ATM @ 155 Мбит/cg

7,2

10,0(5,3)

7.0

OF-500

OF-2000

OF-500

OF-2000

OF-500

OF-2000

OF-2000

 

ATM @ 622 Мбит/ce,f,g

4.0

6,0(2,0)

7,0

OF-300

OF-500

OF-300

OF-500

OF-300

OF-500

OF-2000  

ISO/IEC 14165-111:
Fibre Channel (FC-PH)@ 133Мбит/cc,f

NA

6,0

  

OF-2000

 

OF-2000

 

OF-2000

  

ISO/IEC 14165-111:
Fibre Channel (FC-PH)@ 266Мбит/cc,g

12.0

6,0(5.5)

6.0

OF-2000

OF-2000

OF-2000

OF-2000

OF-2000

OF-2000

OF-2000

 

ISO/IEC 14165-111:
Fibre Channel (FC-PH)@ 531Мбит/cc,g

8.0

-

14.0

OF-500

 

OF-500

 

OF-500

 

OF-2000

 

ISO/IEC 14165-111:
Fibre Channel (FC-PH)@ 1062Мбит/ce,g

4.0-6.0

OF-300

 

OF-500

 

OF-500

 

OF-2000

 

ISO/IEC 8802-3: 1000Base-SXe

2.6(3.56)--   OF-500 OF-500   
ISO/IEC 8802-3: 1000Base-LXe,g -2.354.56  OF-500 OF-500  OF-500OF-2000 

ISO/IEC 9314-9: FDDI LCF-PMDb,f

-7.0(2.0)-  OF-500 OF-500  OF-500  

ISO/IEC 9314-3: FDDI PMDf

-11.0(6.0)-  OF-2000 OF-2000  OF-2000  
ISO/IEC 9314-3: FDDI SMF-PMDg --10.0       OF-2000 
ISO/IEC 8802-3: 100BASE-FXf  11.0(6.0)-  OF-2000 OF-2000  OF-2000  
IEEE 802.3: 10GBASE-LX4d  2.06.2  OF-300 OF-300  OF-300OF-2000 
IEEE 802.3: 10GBASE-ER/EWd            OF-2000
IEEE 802.3: 10GBASE-SR/SWd 1.6(62.5)
1.8(OM-2)
2.6(OM-3)
--     OF-300   
IEEE 802.3: 10GBASE-LR/LWd,g-- 6.2       OF-2000 
  1. Представлены значения для волокон с диаметрами 62.5/125 и 50/125 m(MMF). Там, где значения отличаются, в скобках дается величина для 50 мкм.
  2. Приложение в настоящее время промышленностью не поддерживается
  3. Приложение в настоящее время не поддерживается разрабатывавшей его группой
  4. Приложение в стадии разработки
  5. Приложение с ограниченной полосой пропускания для указанных длин канала. Использование для каналов с более высокими требованиями в случае применения компонентов с меньшим ослаблением, не рекомендуется.
  6. Длина канала может быть ограничена для волокон с диаметром 50 мкм.
  7. Длина канала для одномодового волокна может быть больше, но это находится вне пределов регламентаций стандарта.

Таблица 4.1.1.2.6. Максимальные длины каналов с мультимодовыми волокнами

Сетевое приложение Номинальная длина
волны [нм]
Максимальная длина канала в м
Волокно 50мкмa Волокно 62,5мкм;b
ISO/IEC 8802-3: FOIRL8505141000
ISO/IEC 8802-3: 10BASE-FL&FB85015142000
ISO/IEC TR 11802-4: 4 &16Мбит/c Token Ring85018572000
ATM @ 155 Мбит/c8501000a1000b
ATM @ 622 Мбит/c850300a300b
ISO/IEC 14165-111: Fibre Channel (FC-PH) @ 266 Мбит/c8502000 700
ISO/IEC 14165-111: Fibre Channel (FC-PH) @ 531 Мбит/c8501000350
ISO/IEC 14165-111: Fibre Channel (FC-PH) @ 1062 Мбит/cc850500a350b
IEEE 802.3: 1000BASE-SX850550a 275b
ISO/IEC 9314-9: FDDI LCF-PMD1300500500
ISO/IEC 9314-3: FDDI PMD130020002000

ISO/IEC 8802-3: 100BASE-FX

130020002000
IEEE 802.5t: 100Мбит/c Token Ring130020002000
ATM @ 52 Мбит/c130020002000
ATM @ 155 Мбит/c100020002000
ATM @ 622 Мбит/c1300330500
ISO/IEC 14165-111: Fibre Channel (FC-PH) @ 133 Мбит/c1300Не поддерживается 1500
ISO/IEC 14165-111: Fibre Channel (FC-PH) @ 266 Мбит/c13002000 1500
IEEE 802.3: 1000BASE-LXc1300550a 550b
  1. Максимальное ослабление на км (850/130нм): 3.5/1.5 дБ/км; минимальная полоса пропускания для длин волн (850/130нм): 500МГцкм
  2. Максимальное ослабление на км (850/130нм): 3.5/1.5 дБ/км; минимальная полоса пропускания для длин волн (850/130нм): 200МГцкм/500МГцкм
  3. Эти приложения ограничены по полосе. Использование компонентов с меньшим поглощением для получения каналов с улучшенными параметрами, не рекомендуется.

Всякая, даже гигантская сеть была когда-то маленькой. Обычно сеть начинается с одного сегмента типа 1, 3 или 4 (рис. 4.1.1.2.1). Когда ресурсы одного сегмента или концентратора (повторители для скрученных пар) исчерпаны, добавляется повторитель. Так продолжается до тех пор, пока ресурсы удлинения сегментов и каналы концентраторов закончатся и будет достигнуто предельное число повторителей в сети (4 для 10МГц-ного Ethernet). Если при построении сети длина кабельных сегментов и их качество не контролировалось, возможен и худший сценарий - резкое увеличение числа столкновений или вообще самопроизвольное отключение от сети некоторых ЭВМ. Когда это произошло, администратор сети должен понять, что время дешевого развития сети закончилось - надо думать о приобретении мостов, сетевых переключателей, маршрутизаторов, а возможно и диагностического оборудования. Применение этих устройств может решить и проблему загрузки некоторых сегментов, ведь в пределах одного логического сегмента потоки, создаваемые каждым сервером или обычной ЭВМ, суммируются. Не исключено, что именно в этот момент сетевой администратор заметит, что топология сети неудачна и ее нужно изменить. Чтобы этого не произошло, рекомендуется с самого начала тщательно документировать все элементы (кабельные сегменты, интерфейсы, повторители и пр.). Хорошо, если уже на первом этапе вы хорошо представляете конечную цель и те возможности, которыми располагаете. Бухгалтерская сеть и сеть, ориентированная на выход в Интернет, будут иметь разные структуры. Прокладывая кабели, рекомендуется учитывать, что положение ЭВМ время от времени меняется, и это не должно приводить к изменению длины сегмента или к появлению дополнительных “сросток”. Следует также избегать применения в пределах сегмента кабелей разного типа и разных производителей. Если сеть уже создана, научитесь измерять информационные потоки в сегментах и внешние потоки (если ваша сеть соединена с другими сетями, например с Интернет), это позволит осмысленно намечать пути дальнейшей эволюции сети. Если возможности позволяют, избегайте использования дешевых сетевых интерфейсов, их параметры часто не отвечают требованиям стандарта. Сетевая архитектура требует немалых знаний и это дело лучше поручить профессионалам.

Когда потоки данных в сети достигают уровня, при котором использование мостов и сетевых переключателей уже недостаточно, можно подумать о внедрении маршрутизаторов или оптоволоконных сегментов сети FDDI или быстрого (100 Мбит/с) Ethernet. Эти субсети будут играть роль магистралей, по которым идет основной поток данных, ответвляясь в нужных местах в субсети, построенные по традиционной технологии (см. раздел FDDI). Сеть FDDI для этих целей предпочтительнее, так как она не страдает от столкновений и у нее не падает пропускная способность при перегрузке. Если в вашей сети имеются серверы общего пользования, их рекомендуется подключить к быстродействующим сегментам и организовать несколько узлов доступа к FDDI-кольцу. Остальные потребители будут соединены с FDDI через эти узлы доступа (мосты/шлюзы). Аналогичную функцию могут выполнять и сегменты быстрого Ethernet (особенно хороши для этого схемы дуплексного обмена, см. выше).

Особую проблему составляют переходы 100 Мбит/с ®10 Мбит/с (рис. 4.1.1.2.8). Дело в том, что на MAC-уровне нет механизмов понижения скорости передачи для согласования возможностей отправителя и приемника. Такие возможности существуют только на IP-уровне (ICMP-congestion, опция quench). Если функцию шлюза исполняет, например, переключатель, то исключить переполнение его буфера невозможно. Такое переполнение неизбежно приведет к потере пакетов, повторным передачам и, как следствие, к потере эффективной пропускной способности канала. Решить проблему может применение в качестве шлюза маршрутизатора (здесь работает ICMP-механизм ”обратного давления”).

Рис. 4.1.1.2.8 Схема переходов 10-100-10 Мбит/с

Если любые 2 или более каналов справа попытаются начать работу с одним из каналов слева, или наоборот, потери пакетов неизбежны. Лучше, когда N<10. Проблема исчезает, когда SW работают на IP-уровне.


Назад: 4.1.1.1. Архитектура сетей Ethernet
Оглавление: Телекоммуникационные технологии
Вперёд: 4.1.1.3. Интернет в Ethernet

IT-консалтинг Software Engineering Программирование СУБД Безопасность Internet Сети ОС Hardware

CITForum © 1997–2025