|
| ||||||||||||||||||||||||||||||||||||||||||||||||||||||||||||||||||||||||||||||||||||||||||||||||||||||||||||||||||||||||||||||||||||||||||||||||||||||||||||||||||||||||||||||||||||||||||||||||||||||||||||||||||||||||||||||||||||||||||||||||||||||||||||||||||||||||||||||||||||||||||||||||||||||||||||||||||||||||
| ||||||||||||||||||||||||||||||||||||||||||||||||||||||||||||||||||||||||||||||||||||||||||||||||||||||||||||||||||||||||||||||||||||||||||||||||||||||||||||||||||||||||||||||||||||||||||||||||||||||||||||||||||||||||||||||||||||||||||||||||||||||||||||||||||||||||||||||||||||||||||||||||||||||||||||||||||||||||
Интернационализация диалоговых интерфейсовОперационную систему NetWare можно настроить так, чтобы сообщения системы отображались на требуемом национальном языке. Можно изменить язык сообщений, отображаемых
Для изменения языка, используемого для вывода сообщений ОС на консоль файлового сервера, необходимо подготовить соответствующий модуль SERVER.MSG и поместить его в каталог, откуда загружается головная программа ОС NetWare SERVER.EXE. Для вывода сообщений NLM-модулей на требуемом языке необходимо с консоли файлового сервера ввести команду LANGUAGE number где number определяет национальный язык сообщений. В частности число 4 соответствует английскому языку, а 13 - русскому. На рисунке 2.62 представлена структура каталогов, где должны храниться сообщения NLM-модулей.
![]() Рис. 2.62. Структура каталогов, где хранятся сообщения NLM-модулей При инсталляции файлового сервера обычно устанавливается только каталог с именем 4, где хранятся модули *.MSG описания сообщений на английском языке для соответствующих NLM-модулей. Для вывода сообщений утилит NetWare и модулей программного обеспечения клиента на требуемом языке используется переменная NWLANGUAGE среды DOS, которая устанавливается, как правило, в файле C:\NWCLIENT\STARTNET.BAT, создаваемом при инсталляции рабочей станции: SET NWLANGUAGE=language где language - один из следующих языков: English, Duetsh, Espanol, Francais, Italiano. На рисунке 2.63 представлена структура каталогов, где должны храниться сообщения утилит NetWare. При инсталляции файлового сервера обычно устанавливается только каталог с именем ENGLISH. На рисунке 2.64 изображена структура каталогов и файлов с сообщениями модулей программного обеспечения клиента рабочей станции. При инсталляции рабочей станции обычно устанавливается каталог с именем ENGLISH.
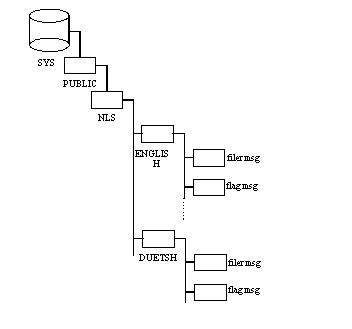
![]() Рис. 2.63. Структура каталогов, где хранятся сообщения утилит NetWare Форматы даты, времени и числа, используемых на рабочей станции, описываются в файле C:\NWCLIENT\LCONFIG.SYS. Примеры форматов для USA, используемых по умолчанию, представлены в таблице 2.23. Таблица 2.23. Примеры форматов для USA
![]()
Рис. 2.64. Структура каталогов, где хранятся сообщения модулей программного
| ||||||||||||||||||||||||||||||||||||||||||||||||||||||||||||||||||||||||||||||||||||||||||||||||||||||||||||||||||||||||||||||||||||||||||||||||||||||||||||||||||||||||||||||||||||||||||||||||||||||||||||||||||||||||||||||||||||||||||||||||||||||||||||||||||||||||||||||||||||||||||||||||||||||||||||||||||||||||
|
CITForum © 1997–2025